Vortex MR Carby Needle W23
$15.75
See more: MROK
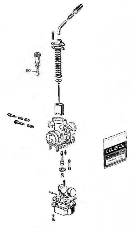
W23 needle in carby of Vortex Mini Rok engine.
